Loading makes...
Loading models...
30200 Series

30200 Series

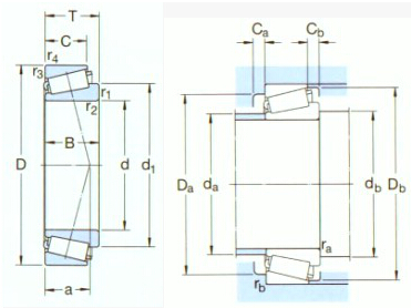
A tapered roller bearing is a type of bearing designed to handle both radial and axial loads. It consists of an inner ring, an outer ring, and tapered rollers arranged between them. The rollers are shaped like cones, which allows the bearing to support high loads while reducing friction. Tapered roller bearings are commonly used in applications such as automotive wheels, gearboxes, and industrial machinery, where both radial and axial forces are present. These bearings offer durability, high load capacity, and efficiency in a wide range of settings.

  • 30200 Series
  • 30200 Series
InquiryDesignationPrincipal dimensions(mm)Basic load ratings(KN) PuSpeed ratings(rpm) Weight(Kg)ISO335 Dimensions (mm) Abutment and fillet dimensions (mm) Value
d1DBdyc(Cr)stc(Cor)Speed RatingsLimiting SpeedDimensions (ABMA)dd1~BCr1,2(min)r3,4(min)ada(max)db(min)Da(min)Da(max)Db(min)Ca(min)Cb(min)ra(max)rb(max)eYYo
30203J2 17 40 13,25 19 18,6 1,83 13000 18000 0,075 2DB 17 28 12 11 1 1 10 23 23 34 34 37 2 2 1 1 0,35 1,7 0,9
30204J2/Q 20 47 15,25 32 28 3 12000 15000 0,12 2DB 20 33,2 14 12 1 1 11 27 26 40 41 43 2 3 1 1 0,35 1,7 0,9
30205J2/Q 25 52 16,25 35,5 33,5 3,45 11000 13000 0,15 3CC 25 37,4 15 13 1 1 12 31 31 44 46 48 2 3 1 1 0,37 1,6 0,9
302/28J2 28 58 17,25 38 41,5 4,4 9000 12000 0,25 - 28 41,8 16 14 1 1 13 35 34 50 52 54 2 3 1 1 0,37 1,6 0,9
30206J2/Q 30 62 17,25 46,5 44 4,8 9000 11000 0,23 3DB 30 44,6 16 14 1 1 14 38 36 53 56 57 2 3 1 1 0,37 1,6 0,9
30207J2/Q 35 72 18,25 58,5 56 6,1 8000 9500 0,32 3DB 35 51,8 17 15 1,5 1,5 15 44 42 62 65 67 3 3 1,5 1,5 0,37 1,6 0,9
30208J2/Q 40 80 19,75 71 68 7,65 7000 8500 0,42 3DB 40 57,5 18 16 1,5 1,5 16 49 47 69 73 74 3 3,5 1,5 1,5 0,37 1,6 0,9
30209J2/Q 45 85 20,75 76,5 76,5 8,65 6300 8000 0,48 3DB 45 63 19 16 1,5 1,5 18 54 52 74 78 80 3 4,5 1,5 1,5 0,4 1,5 0,8
30210J2/Q 50 90 21,75 86,5 91,5 10,4 6000 7500 0,54 3DB 50 67,9 20 17 1,5 1,5 19 58 57 79 83 85 3 4,5 1,5 1,5 0,43 1,4 0,8
30211J2/Q 55 100 22,75 104 106 12 5300 6700 0,70 3DB 55 74,6 21 18 2 1,5 20 64 64 88 93 94 4 4,5 2 1,5 0,4 1,5 0,8
30212J2/Q 60 110 23,75 112 114 13,2 5000 6000 0,88 3EB 60 81,5 22 19 2 1,5 22 70 68 96 103 103 4 4,5 2 1,5 0,4 1,5 0,8
30213J2/Q 65 120 24,75 132 134 16,3 4500 5600 1,15 3EB 65 89 23 20 2 1,5 23 78 74 106 113 113 4 4,5 2 1,5 0,4 1,5 0,8
30214J2/Q 70 125 26,25 125 156 18 4000 5300 1,25 3EB 70 93,9 24 21 2 1,5 25 82 78 110 115 118 4 5 2 1,5 0,43 1,4 0,8
30215J2/Q 75 130 27,25 140 176 20,4 3800 5000 1,40 4DB 75 99,2 25 22 2 1,5 27 86 84 115 122 124 4 5 2 1,5 0,43 1,4 0,8
30216J2/Q 80 140 28,25 151 183 21,2 3400 4800 1,60 3EB 80 105 26 22 2,5 2 28 92 90 124 130 132 4 6 2 2 0,43 1,4 0,8
30217J2/Q 85 150 30,5 176 220 25,5 3200 4300 2,05 3EB 85 112 28 24 2,5 2 30 97 95 132 140 141 5 6,5 2 2 0,43 1,4 0,8
30218J2 90 160 32,5 194 245 28,5 3000 4000 2,55 3FB 90 118 30 26 2,5 2 31 104 101 140 150 150 5 6,5 2 2 0,43 1,4 0,8
30219J2 95 170 34,5 216 275 31,5 2800 3800 3,00 3FB 95 126 32 27 3 2,5 33 110 107 149 158 159 5 7,5 2,5 2 0,43 1,4 0,8
33020/Q 100 150 39 224 390 41,5 3000 4000 2,40 2CE 100 122 39 32,5 2 1,5 29 109 108 135 142 143 7 6,5 2 1,5 0,3 2 1,1
30220J2 100 180 37 246 320 36 2800 3600 3,65 3FB 100 133 34 29 3 2,5 35 116 112 157 168 168 5 8 2,5 2 0,43 1,4 0,8
33021/Q 105 160 43 246 430 45,5 2800 3800 3,05 2DE 105 131 43 34 2,5 2 31 117 116 145 150 153 7 9 2 2 0,28 2,1 1,1
30221J2 105 190 39 270 355 40 2600 3400 4,25 3FB 105 141 36 30 3 2,5 37 123 117 165 178 177 6 9 2,5 2 0,43 1,4 0,8
33022 110 170 47 281 500 53 2600 3600 3,85 2DE 110 139 47 37 2,5 2 34 123 121 152 160 161 7 10 2 2 0,28 2,1 1,1
30222J2 110 200 41 308 405 45 2400 3200 5,10 3FB 110 148 38 32 3 2,5 39 129 122 174 188 187 6 9 2,5 2 0,43 1,4 0,8
33024 120 180 48 292 540 56 2600 3400 4,20 2DE 120 149 48 38 2,5 2 36 132 131 160 170 171 6 10 2 2 0,3 2 1,1
30224J2 120 215 43,5 341 465 49 2200 3000 6,15 4FB 120 161 40 34 3 2,5 43 141 132 187 203 201 6 9,5 2,5 2 0,43 1,4 0,8
30226J2 130 230 43,75 369 490 53 2000 2800 7,60 4FB 130 173 40 34 4 3 45 152 146 203 216 217 7 9,5 3 2,5 0,43 1,4 0,8
30228J2 140 250 45,75 418 570 58,5 1900 2600 8,65 4FB 140 186 42 36 4 3 47 164 156 219 236 234 7 9,5 3 2,5 0,43 1,4 0,8
30230 150 270 49 429 560 57 1800 2400 11,0 4GB 150 200 45 38 4 3 50 175 166 234 256 250 9 11 3 2,5 0,43 1,4 0,8
30232J2 160 290 52 528 735 72 1600 2200 13,0 4GB 160 214 48 40 4 3 54 189 176 252 275 269 8 12 3 2,5 0,43 1,4 0,8
Previous12Next

Related Products

QUALITY ASSURANCE
QUALITY ASSURANCE
REASONABLE PRICE
REASONABLE PRICE
GOOD SERVICE
GOOD SERVICE
FAST DELIVERY
FAST DELIVERY

Get In Touch

8615192150058