Loading makes...
Loading models...
31300 Series

31300 Series

A tapered roller bearing is a type of bearing designed to handle both radial and axial loads. It consists of an inner ring, an outer ring, and tapered rollers arranged between them. The rollers are shaped like cones, which allows the bearing to support high loads while reducing friction. Tapered roller bearings are commonly used in applications such as automotive wheels, gearboxes, and industrial machinery, where both radial and axial forces are present. These bearings offer durability, high load capacity, and efficiency in a wide range of settings.

  • 31300 Series
  • 31300 Series
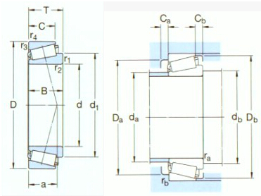
InquiryDesignationPrincipal dimensions(mm)Basic load ratings(KN) PuSpeed ratings(rpm) Weight(Kg)ISO335 Dimensions (mm) Abutment and fillet dimensions (mm) Value
d1DBdyc(Cr)stc(Cor)Speed RatingsLimiting SpeedDimensions (ABMA)dd1~BCr1,2(min)r3,4(min)ada(max)db(min)Da(min)Da(max)Db(min)Ca(min)Cb(min)ra(max)rb(max)eYYo
31305J2 25 62 18,25 38 40 4,4 7500 11000 0,26 7FB 25 45,8 17 13 1,5 1,5 20 34 32 47 55 59 3 5 1,5 1,5 0,83 0,72 0,4
31306J2/Q 30 72 20,75 55 50 5,7 7500 9500 0,39 7FB 30 52,7 19 14 1,5 1,5 22 40 37 55 65 68 3 6,5 1,5 1,5 0,83 0,72 0,4
31307J2/Q 35 80 22,75 71 67 7,8 6300 8500 0,52 7FB 35 59,6 21 15 2 1,5 25 45 44 62 71 76 3 7,5 2 1,5 0,83 0,72 0,4
31308J2/QCL7C 40 90 25,25 85 81,5 9,5 5600 7500 0,72 7FB 40 67,1 23 17 2 1,5 28 51 49 71 81 86 3 8 2 1,5 0,83 0,72 0,4
31309J2/QCL7C 45 100 27,25 106 102 12,5 5000 6700 0,95 7FB 45 74,7 25 18 2 1,5 31 57 53 79 91 95 4 9 2 1,5 0,83 0,72 0,4
31310J2/QCL7C 50 110 29,25 122 120 14,3 4500 6000 1,20 7FB 50 81,5 27 19 2,5 2 34 62 60 87 100 104 4 10 2 2 0,83 0,72 0,4
31311J2/QCL7C 55 120 31,5 140 137 16,6 4300 5600 1,55 7FB 55 88,4 29 21 2,5 2 37 68 65 94 112 113 4 10,5 2 2 0,83 0,72 0,4
31312J2/QCL7C 60 130 33,5 166 166 20,4 3800 5300 1,90 7FB 60 95,9 31 22 3 2,5 39 74 72 103 118 123 5 11,5 2,5 2 0,83 0,72 0,4
31313J2/QCL7C 65 140 36 190 193 23,6 3600 4800 2,35 7GB 65 103 33 23 3 2,5 42 80 77 111 128 132 5 13 2,5 2 0,83 0,72 0,4
31314J2/QCL7C 70 150 38 216 220 27 3400 4500 2,95 7GB 70 110 35 25 3 2,5 45 85 82 118 138 141 5 13 2,5 2 0,83 0,72 0,4
31315J2/QCL7C 75 160 40 240 245 29 3200 4300 3,50 7GB 75 116 37 26 3 2,5 48 91 87 127 148 151 6 14 2,5 2 0,83 0,72 0,4
31316J1/QCL7C 80 170 42,5 260 265 32 3000 4000 4,05 7GB 80 124 39 27 3 2,5 52 97 92 134 158 159 6 15,5 2,5 2 0,83 0,72 0,4
31317J2 85 180 44,5 242 285 33,5 2600 3800 4,60 7GB 85 131 41 28 4 3 55 103 99 143 166 169 6 16,5 3 2,5 0,83 0,72 0,4
31318J2 90 190 46,5 264 315 36,5 2400 3400 5,90 7GB 90 138 43 30 4 3 57 109 105 151 176 179 5 16,5 3 2,5 0,83 0,72 0,4
31319J2 95 200 49,5 292 355 39 2400 3400 6,95 7GB 95 145 45 32 4 3 60 114 110 157 186 187 5 17,5 3 2,5 0,83 0,72 0,4
31320XJ2/CL7CVQ051 100 215 56,5 430 465 51 2400 3000 8,60 7GB 100 158 51 35 4 3 65 121 115 168 201 202 7 21,5 3 2,5 0,83 0,72 0,4
31322XJ2 110 240 63 457 585 62 1900 2800 12,0 7GB 110 176 57 38 4 3 72 135 125 188 226 224 7 25 3 2,5 0,83 0,72 0,4
31324XJ2 120 260 68 539 695 73,5 1700 2400 15,5 7GB 120 190 62 42 4 3 78 145 135 203 245 244 9 26 3 2,5 0,83 0,72 0,4
31326XJ2 130 280 72 605 780 81,5 1600 2400 18,5 7GB 130 204 66 44 5 4 84 157 150 218 263 261 8 28 4 3 0,83 0,72 0,4
31328XJ2 140 300 77 693 900 88 1500 2200 24,5 7GB 140 219 70 47 5 4 90 169 160 235 283 280 9 30 4 3 0,83 0,72 0,4
31330XJ2 150 320 82 781 1020 100 1400 2000 29,5 7GB 150 234 75 50 5 4 96 181 170 251 303 300 9 32 4 3 0,83 0,72 0,4

Related Products

QUALITY ASSURANCE
QUALITY ASSURANCE
REASONABLE PRICE
REASONABLE PRICE
GOOD SERVICE
GOOD SERVICE
FAST DELIVERY
FAST DELIVERY

Get In Touch

8615192150058