Loading makes...
Loading models...
33000 Series

33000 Series

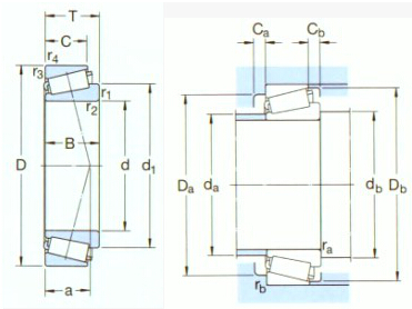
A tapered roller bearing is a type of bearing designed to handle both radial and axial loads. It consists of an inner ring, an outer ring, and tapered rollers arranged between them. The rollers are shaped like cones, which allows the bearing to support high loads while reducing friction. Tapered roller bearings are commonly used in applications such as automotive wheels, gearboxes, and industrial machinery, where both radial and axial forces are present. These bearings offer durability, high load capacity, and efficiency in a wide range of settings.

  • 33000 Series
  • 33000 Series
InquiryDesignationPrincipal dimensions(mm)Basic load ratings(KN) PuSpeed ratings(rpm) Weight(Kg)ISO335 Dimensions (mm) Abutment and fillet dimensions (mm) Value
d1DBdyc(Cr)stc(Cor)Speed RatingsLimiting SpeedDimensions (ABMA)dd1~BCr1,2(min)r3,4(min)ada(max)db(min)Da(min)Da(max)Db(min)Ca(min)Cb(min)ra(max)rb(max)eYYo
33010/Q 50 80 24 80 102 11,4 6300 8000 0,45 2CE 50 64,9 24 19 1 1 17 56 56 72 74 76 4 5 1 1 0,31 1,9 1,1
33011/Q 55 90 27 104 137 15,3 5600 7000 0,67 2CE 55 72,9 27 21 1,5 1,5 19 63 62 81 83 86 5 6 1,5 1,5 0,31 1,9 1,1
33012/Q 60 95 27 106 143 16 5300 6700 0,71 2CE 60 77,1 27 21 1,5 1,5 20 67 67 85 88 90 5 6 1,5 1,5 0,33 1,8 1
33013/Q 65 100 27 110 153 17,3 5000 6300 0,78 2CE 65 82,5 27 21 1,5 1,5 21 72 72 89 93 96 5 6 1,5 1,5 0,35 1,7 0,9
33014 70 110 31 130 196 22,8 4300 5600 1,10 2CE 70 88,8 31 25,5 1,5 1,5 23 78 77 99 103 105 5 5,5 1,5 1,5 0,28 2,1 1,1
33015/Q 75 115 31 134 228 26 4000 5300 1,15 2CE 75 95 31 25,5 1,5 1,5 23 84 82 104 108 110 6 5,5 1,5 1,5 0,3 2 1,1
33016/Q 80 125 36 168 285 32 3600 5000 1,65 2CE 80 102 36 29,5 1,5 1,5 26 90 87 112 117 119 6 6,5 1,5 1,5 0,28 2,1 1,1
33017/Q 85 130 36 183 310 34,5 3600 4800 1,75 2CE 85 107 36 29,5 1,5 1,5 26 94 92 118 122 125 6 6,5 1,5 1,5 0,3 2 1,1
33018/Q 90 140 39 216 355 39 3200 4500 2,20 2CE 90 113 39 32,5 2 1,5 27 100 98 127 132 135 7 6,5 2 1,5 0,27 2,2 1,3
33019/Q 95 145 39 220 375 40,5 3200 4300 2,30 2CE 95 118 39 32,5 2 1,5 28 104 104 131 138 139 7 6,5 2 1,5 0,28 2,1 1,1
33020/Q 100 150 39 224 390 41,5 3000 4000 2,40 2CE 100 122 39 32,5 2 1,5 29 109 108 135 142 143 7 6,5 2 1,5 0,3 2 1,1
33021/Q 105 160 43 246 430 45,5 2800 3800 3,05 2DE 105 131 43 34 2,5 2 31 117 116 145 150 153 7 9 2 2 0,28 2,1 1,1
33022 110 170 47 281 500 53 2600 3600 3,85 2DE 110 139 47 37 2,5 2 34 123 121 152 160 161 7 10 2 2 0,28 2,1 1,1
33024 120 180 48 292 540 56 2600 3400 4,20 2DE 120 149 48 38 2,5 2 36 132 131 160 170 171 6 10 2 2 0,3 2 1,1
33030 150 225 59 457 865 86,5 2000 2600 8,15 2EE 150 188 59 46 3 2,5 48 164 162 200 213 217 8 13 2,5 2 0,37 1,6 0,9
31330XJ2 150 320 82 781 1020 100 1400 2000 29,5 7GB 150 234 75 50 5 4 96 181 170 251 303 300 9 32 4 3 0,83 0,72 0,4

Related Products

QUALITY ASSURANCE
QUALITY ASSURANCE
REASONABLE PRICE
REASONABLE PRICE
GOOD SERVICE
GOOD SERVICE
FAST DELIVERY
FAST DELIVERY

Get In Touch

8615192150058